MOSFET導通過程詳解,MOSFET簡稱金氧半場效晶體管(Metal-Oxide-Semiconductor Field-Effect Transistor, MOSFET)是一種可以廣泛使用在模擬電路與數字電路的場效晶體管(field-effect transistor)。MOSFET依照其“通道”(工作載流子)的極性不同,可分為“N型”與“P型” 的兩種類型,通常又稱為NMOSFET與PMOSFET,其他簡稱上包括NMOS、PMOS等。
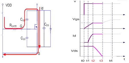
(一)MOSFET開通過程

T0~T1:驅動通過Rgate對Cgs充電,電壓Vgs以指數的形式上升。

T1~T2:Vgs達到MOSFET開啟電壓,MOSFET進入線性區,Id緩慢上升,至T2時刻Id到達飽和或是負載最大電流。在此期間漏源極之間依然承受近乎全部電壓Vdd。

T2~T3:T2時刻 Id達到飽和并維持穩定值,MOS管工作在飽和區,Vgs固定不變, 電壓Vds開始下降。此期間Cgs不再消耗電荷, VDD開始給Cgd提供放電電流。

T3~T4: 電壓Vds下降到0V,VDD繼續給Cgs充電,直至Vgs=VDD,MOSFET完成導通過程。
重要說明:
Vgs的各個階段的時間跨度同柵極消耗電荷成比例(因△Q = IG△T,而IG在此處為恒流源之輸出)。
T0 ~ T2跨度代表了Ciss(VGS+ CGD)所消耗的電荷,對應于器件規格書中提供的參數Qgs(Gate to Source Charge)。
T2 ~ T3跨度代表了CGD(或稱為米勒電容)消耗的電荷,對應于器件規格書中提供的參數Qds(Gate to Drain (“Miller”) Charge)。
T3時刻前消耗的所有電荷就是驅動電壓為Vdd、電流為Id的MOSFET所需要完全開通的最少電荷需求量。T3以后消耗的額外電荷并不表示驅動所必須的電荷,只表示驅動電路提供的多余電荷而已 。
開關損失:在MOSFET導通的過程中,兩端的電壓有一個下降的過程,流過的電流有一個上升的過程,那么這段時間里,MOS管損失的是電壓和電流的乘積,稱為開關損失。
導通損耗: MOS管在導通之后,電流在導通電阻上消耗能量,稱為導通損耗。
整體特性表現:
驅動電量要求:
△Q t0 ~ t4= (t4-t0 )IG = VG(CGS + CGD)+ VDDCGD
驅動電流要求:
IG =△Q t0 ~ t4 /(t4-t0 )≈△Q t0 ~ t3 / (t3-t0 )≈Qg/(Td(on) + Tr)
驅動功率要求:
Pdrive=∫t4-t0 vg(t)ig(t)≈VG△Q≈VG〔VG(CGS+CGD)+ VDDCGD〕
驅動電阻要求:
RG = VG / IG
一般地可以根據器件規格書提供的如下幾個參數作為初期驅動設計的計算假設:
a) Qg(Total Gate Charge):作為最小驅動電量要求。
b)相應地可得到最小驅動電流要求為IG ≈Qg/(td(on)+tr)。
c)Pdrive=VG *Qg作為最小驅動功率要求。
d)相應地,平均驅動損耗為VG *Qg*fs
二、MOSFET關斷過程

MOSFET關斷過程是開通過程的反過程,如上圖示意
烜芯微專業制造二極管,三極管,MOS管,橋堆等20年,工廠直銷省20%,4000家電路電器生產企業選用,專業的工程師幫您穩定好每一批產品,如果您有遇到什么需要幫助解決的,可以點擊右邊的工程師,或者點擊銷售經理給您精準的報價以及產品介紹
烜芯微專業制造二極管,三極管,MOS管,橋堆等20年,工廠直銷省20%,4000家電路電器生產企業選用,專業的工程師幫您穩定好每一批產品,如果您有遇到什么需要幫助解決的,可以點擊右邊的工程師,或者點擊銷售經理給您精準的報價以及產品介紹

