由于無源濾波器特性受系統參數影響大,只能消除特定的幾次諧波,過載能力小,對系統阻抗和頻率變化的適應性較差,穩定性較差等因素,人們將濾波研究方向逐步轉向有源濾波器(Active PowerFliter,縮寫為APF)。有源電力濾波器作為一種新型的諧波治理技術,是消除諧波污染、提高電能質量的有效工具。與傳統的無源濾波器相比,有源電力濾波器具有補償各次諧波、抑制閃變、補償無功,自動跟蹤補償變化的諧波等技術優勢。下面將介紹其的分類以及應用:
1.按逆變器直流側儲能元件分類
有源電力濾波器的主電路一般由PWM逆變器構成。根據逆變器直流側儲能元件的不同,可分為電壓型有源濾波器(儲能元件為電容)和電流型有源濾波器(儲能元件為電感)。
1.1電壓型
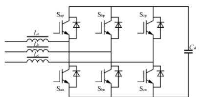
電壓型有源濾波器在工作時需對直流側電容電壓控制,使直流側電壓維持不變,因而逆變器交流側輸出為PWM電壓波。優點是損耗較少,效率高,是目前國內外絕大多數有源濾波器采用的主電路結構。如圖1所示。

圖1 電壓型有源濾波器
1.2電流型
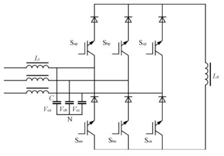
電流型有源濾波器在工作時需對直流側電感電流進行控制,使直流側電流維持不變,因而逆變器交流側輸出為PWM電流波。由于電流側電感上始終有電流流過,該電流在電感內阻上將產生較大損耗,所以目前較少采用。如圖2所示。

圖2 電流型有源濾波器
2.按電路拓樸結構分類
有源電力濾波器可分為并聯型、串聯型、串-并聯型和混合型。
2.1并聯型
圖3所示為并聯型有源濾波器的基本結構。它主要適用于電流源型非線性負載的諧波電流抵消、無功補償以及平衡三相系統中的不平衡電流等。目前并聯型有源濾波器在技術上已較成熟,它也是當前應用最為廣泛的一種有源濾波器拓補結構。

圖3 并聯型有源濾波器
2.2串聯型
圖4所示為串聯型有源濾波器的基本結構。它通過一個匹配變壓器將有源濾波器串聯于電源和負載之間,以消除電壓諧波,平衡或調整負載的端電壓。與并聯型有源濾波器相比,串聯型有源濾波器損耗較大,且各種保護電路也較復雜,因此,很少研究單獨使用的串聯型有源濾波器,而大多數將它作為混合型有源濾波器的一部分予以研究。

圖4 串聯型有源濾波器
2.3混合型
圖5所示為混合型有源濾波器的基本結構。它是在串聯型有源濾波器的基礎上使用一些大容量的無源L-C濾波網絡來承擔消除低次諧波,進行無功補償的任務。而串聯型有源濾波器只承擔消除高次諧振及阻尼無源LC網絡與線路阻抗產生的諧波諧振的任務。從而使串聯型有源濾波器的電流、電壓額定值大大減少(功率容量可減少到負載容量的5%以下),降低了有源濾波器的成本和體積。從經濟角度而言,這種結構形式在目前是一種值得推薦的方案。但隨著電力電子器件性能的不斷提高,成本不斷下降,混合型有源濾波器可能被下面一種性能價格比更高的有源濾波器代替。

圖5 混合型有源濾波器
2.4串-并聯型
圖6所示為串-并聯型有源濾波器的基本結構。它組合了串聯有源濾波器和并聯有源濾波器的優點,能解決電氣系統發生的大多數電能質量問題,所以又稱之為萬能有源濾波器或統一電能質量調節器(UPQC),該類有源濾波器的主要問題是控制復雜、造價較高。

圖6 串-并聯型有源濾波器
以上就是有源電力濾波器的分類介紹了。目前有源電力濾波器可廣泛應用于工業、商業和機關團體的配電網中,如:電力系統、電解電鍍企業、水處理設備、石化企業、大型商場及辦公大樓、精密電子企業、機場/港口的供電系統、醫療機構等等。根據應用對象不同,有源電力濾波器的應用將起到保障供電可靠性、降低干擾、提高產品質量、增長設備壽命減少設備損壞等作用。
電話:18923864027(同微信)
QQ:709211280
〈烜芯微/XXW〉專業制造二極管,三極管,MOS管,橋堆等,20年,工廠直銷省20%,上萬家電路電器生產企業選用,專業的工程師幫您穩定好每一批產品,如果您有遇到什么需要幫助解決的,可以直接聯系下方的聯系號碼或加QQ/微信,由我們的銷售經理給您精準的報價以及產品介紹

