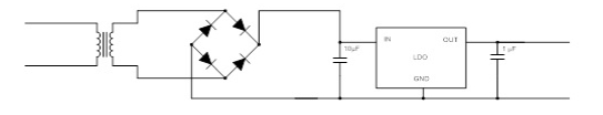
在創建工業電源時,最常見的一個挑戰是將交流電壓電源轉換為直流電壓電源。幾乎所有應用都需要將交流電壓改為直流電壓,從為手機充電到為微波爐的微控制器供電都是如此。通常來講,通過使用變壓器和整流器進行這種轉換,如圖1所示。在該電路中,通過變壓器降壓(一倍于變壓器初級和次級線圈匝數比)。

圖 1:使用變壓器和LDO簡化AC到DC轉換
磁解決方案有幾個缺點。您可能知道變壓器通過將磁通量轉換為電流來工作。由于這種轉換,變壓器會產生大量電磁干擾(EMI)。變壓器的輸出電壓也極其嘈雜,需要大電容來濾除噪聲。對于低功率應用,可使用更簡單且成本有效的方法來消除磁性元件。如同兩個電阻器如何形成一個分壓器一樣,您可使用電容器來產生交流阻抗(電抗),其在電壓到達電源之前降低電壓。這種配置通常稱為電容壓降解決方案。
當負載未接通時,基本的電容器壓降解決方案需要穩壓二極管吸收應用所需的電流。該穩壓二極管是必需項,因此線性穩壓器(LDO)的輸入電壓不會超過絕對最大額定值。

圖2: 帶LDO的基本電容式壓降電路,適用于110 VAC、5 VDC和30 mA
電容式壓降拓撲結構的一個缺點是效率不高,因為許多功率會隨著電阻器和LDO的熱量而消散。即使LDO未調壓,但由于穩壓二極管中消耗的能量,效率仍然不理想。
為提高該系統的效率,您需要優化三個主要組件——浪涌電阻、穩壓二極管和LDO的壓降。公式1所示為如何計算圖2所示的基本電容壓降解決方案的效率。

由于電容壓降解決方案是電子計量和工廠自動化等工業應用中常見的電源配置,因此德州儀器開發了一個專注于優化電容壓降架構效率和解決方案尺寸的組件。TPS7A78集成了許多實現電容式壓降電路所需的分立元件,如有源橋式整流器。TPS7A78專為使用電容壓降電路而設計,可集成多種功能,并提高整體系統效率。例如,TPS7A78集成了一個開關電容級,可將輸入電壓降低四倍,從而以相同的比率降低輸入電流,并有助于使用更小的電容壓降電容。此功能可實現更小的解決方案尺寸,降低系統成本并降低待機功耗。

圖 3:使用TPS7A78在30mA時的30mA 電容壓降解決方案
為理解使用TPS7A78在電容壓降級和線性穩壓器上的效率,我們可以將圖2所示的傳統解決方案與圖3所示的TPS7A78解決方案進行比較。在使用線性穩壓器的傳統壓降解決方案中,系統的效率為11%。配置為同一負載供電時,由于開關電容的輸入電流減小,且需要更小的浪涌電阻,TPS7A78能夠實現> 40%的效率。
電話:18923864027(同微信)
QQ:709211280
〈烜芯微/XXW〉專業制造二極管,三極管,MOS管,橋堆等,20年,工廠直銷省20%,上萬家電路電器生產企業選用,專業的工程師幫您穩定好每一批產品,如果您有遇到什么需要幫助解決的,可以直接聯系下方的聯系號碼或加QQ/微信,由我們的銷售經理給您精準的報價以及產品介紹

