電池和交流電源之間的平穩電源的切換過程要求盡量避免用戶干預、保證能量損失最少,盡可能不在電池供電回路中插入串聯元件,以免在電池電壓較低時電流回路中引起額外的電壓降,從而降低總體轉換效率。
盡可能減小電池電流回路中的電阻,可有效地延長電池壽命。當接入交流電時,任何由電池供電的DC/DC電路應從電池中吸取電流最小。
1.采用二極管隔離
交流電與電池構成的雙電源供電體系,進行電源切換的最簡單的方法就是利用兩個肖特基二極管隔離兩種電源,如圖1所示。
這種電路要求交流適配器的輸出電壓必須高于電池DC/DC變換的輸出電壓。當接入交流適配器時,二極管VD2被反偏,禁止電流從電池流向負載。當去掉交流電源時,二極管VD1可防止電流從電池流入適配器。
這種方案設計簡單,占用印制電路板面積小。但它存在兩個缺點:VD2的正向電壓(大約為0.4V)降低了DC/DC的輸出電壓,如果輸出電壓低于啟動電壓,該方案將不適用;
另外,VD2的正向電壓也浪費了電池的功率,二極管VD2所耗散的功率等于負載電流乘以正向壓降。

圖1 用二極管隔離的交直流切換電路
2.利用MOSFET開關
在圖2中,用一個P溝道MOSFET代替圖1中的二極管VD2。切換到電池時,MOS-FET導通,電池向負載供電。接入交流適配器時,MOSFET的柵極電壓高于其源極電壓,處于關斷狀態,從而切斷了電池與負載的連接。
對100mA的負載電流,一個導通電阻為50mΩ的P溝道MOSFET的電壓降為0.5mV,耗電僅0.5mW。而圖1所示的二極管配置方式,電壓降為400mV,功率損耗為40mW。MOSFET的導通電阻依賴于它的柵極偏置。
在圖2中,當去掉交流電源時,MOSFET的柵極電壓為零,源極為電池電壓。MOSFET的導通電阻應在此偏壓下足夠低,保證在最大負載電流下能夠獲得所期望的輸出電壓。因此,應盡量選用低閾值的MOSFET管。

圖2 采用MOSFET的交直流切換電路
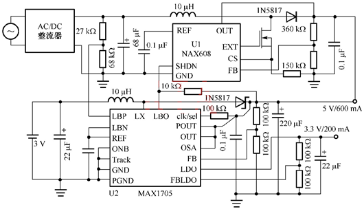
3.使用帶交/直流切換的雙輸出集成IC
在圖3所示的電源設計方案中,有兩個輸出電壓:5V/600mA和3.3V/200mA,其輸入可以是交流電源或2節電池。
此方案避免了以上兩圖中的一些缺點,特別是在電池供電回路中省去了二極管或MOSFET。U1(MAX608)是一個開關式DC/DC升壓轉換器,它的輸入是未經穩壓的直流(2~5V)輸出為5.1V的穩定電壓。
另一個開關型升壓轉換器(U2)內含線性穩壓器,它由轉換器的升壓輸出供電。將U1的輸出設置為5.1V的目的是為了確保U1的輸出高于U2的輸出,另外,為保證在交流適配器供電時由U1為U2的線性穩壓器供電,需要將U1和U2的輸出連接在一起。
U1可以提供300mA的負載電流,其效率為95%。在內置線性穩壓器輸出3.3V時,可提供200mA電流。為了防止電池的電流流入U1,當去掉交流適配器時,U2的LBI/LBO比較器關閉U1。
若電池和交流電源一起供電,在U2的反饋端測得輸出電壓高于它的穩壓值時將一直保持在空閑模式。

圖3 有交流切換功能的雙輸出DC/DC方案
以上,就是幾種符合上述要求的電源轉換技術方案。
電話:18923864027(同微信)
QQ:709211280
〈烜芯微/XXW〉專業制造二極管,三極管,MOS管,橋堆等,20年,工廠直銷省20%,上萬家電路電器生產企業選用,專業的工程師幫您穩定好每一批產品,如果您有遇到什么需要幫助解決的,可以直接聯系下方的聯系號碼或加QQ/微信,由我們的銷售經理給您精準的報價以及產品介紹

