導通、截至、飽和條件


電流關系:IE=IC+IB
當VE>VB>VC時,即發射極正偏,集電極反偏,三極管處于放大狀態;
當VE>VC>VB時,即發射極正偏,集電極正偏,三極管處于飽和狀態;
當VB>VE>VC時,即發射極反偏,集電極反向,三極管處于截止狀態;
pnp放大狀態:
放大區:發射結正偏,集電結反偏
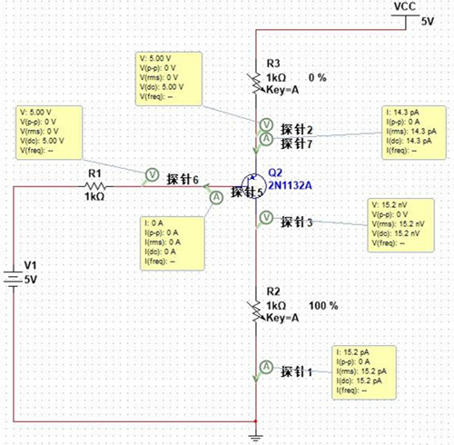
Ub<Ue,Ub>Uc


pnp飽和狀態:
發射結正偏,集電結正偏
Ue>Ub,Uc>Ub


pnp截止狀態:


對于PNP型三極管,發射結反偏,集電結反偏就是指集電極電壓小于基極電壓,發射極電壓小于基極電壓。(以PN結指向為參考)
Ub>Uc,Ub>Ue PN結直接處于截止狀態。
〈烜芯微/XXW〉專業制造二極管,三極管,MOS管,橋堆等,20年,工廠直銷省20%,上萬家電路電器生產企業選用,專業的工程師幫您穩定好每一批產品,如果您有遇到什么需要幫助解決的,可以直接聯系下方的聯系號碼或加QQ/微信,由我們的銷售經理給您精準的報價以及產品介紹
聯系號碼:18923864027(同微信)
QQ:709211280

