什么是灌流電路
1、MOS管作為開關管應用的特殊驅動電路
MOS管和普通晶體三極管相比,有諸多的優點,但是在作為大功率開關管應用時,由于MOS管具有的容性輸入特性,MOS管的輸入端,等于是一個小電容器,輸入的開關激勵信號,實際上是在對這個電容進行反復的充電、放電的過程,在充放電的過程中,使MOS管道導通和關閉產生了滯后,使“開”與“關”的過程變慢,這是開關元件不能允許的(功耗增加,燒壞開關管)。


壓波形變成B的畸變波形,導致開關管不能正常開關工作而損壞,解決的方法就是,只要R足夠的小,甚至沒有阻值,激勵信號能提供足夠的電流,就能使等效電容迅速的充電、放電,這樣MOS開關管就能迅速的“開”、“關”,保證了正常工作。由于激勵信號是有內阻的,信號的激勵電流也是有限度,我們在作為開關管的MOS管的輸入部分,增加一個減少內阻、增加激勵電流的“灌流電路”來解決此問題,如下圖所示。


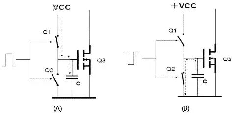
上圖中,在作為開關應用的MOS管Q3的柵極S和激勵信號之間增加Q1、Q2兩只開關管,此兩只管均為普通的晶體三極管,兩只管接成串聯連接,Q1為NPN型Q2為PNP型,基極連接在一起(實際上是一個PNP、NPN互補的射極跟隨器),兩只管等效是兩只在方波激勵信號控制下輪流導通的開關,如下圖A和B。


當激勵方波信號的正半周來到時;晶體三極管Q1(NPN)導通、Q2(PNP)截止,VCC經過Q1導通對MOS開關管Q3的柵極充電,由于Q1是飽和導通,VCC等效是直接加到MOS管Q3的柵極,瞬間充電電流極大,充電時間極短,保證了MOS開關管Q3的迅速的“開”,如圖A所示(圖A和圖B中的電容C為MOS管柵極S的等效電容)。
當激勵方波信號的負半周來到時;晶體三極管Q1(NPN)截止、Q2(PNP)導通,MOS開關管Q3的柵極所充的電荷,經過Q2迅速放電,由于Q2是飽和導通,放電時間極短,保證了MOS開關管Q3的迅速的“關”,如上圖B所示。
由于MOS管在制造工藝上柵極S的引線的電流容量有一定的限度,所以在Q1在飽和導通時VCC對MOS管柵極S的瞬時充電電流巨大,極易損壞MOS管的輸入端,為了保護MOS管的安全,在具體的電路中必須采取措施限制瞬時充電的電流值,在柵極充電的電路中串接一個適當的充電限流電阻R,如下圖A所示。
充電限流電阻R的阻值的選取;要根據MOS管的輸入電容的大小,激勵脈沖的頻率及灌流電路的VCC(VCC一般為12V)的大小決定一般在數十姆歐到一百歐姆之間。


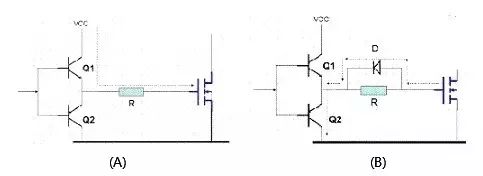
由于充電限流電阻的增加,使在激勵方波負半周時Q2導通時放電的速度受到限制(充電時是VCC產生電流,放電時是柵極所充的電壓VGS產生電流,VGS遠遠小于VCC,R的存在大大的降低了放電的速率)使MOS管的開關特性變壞,為了使R阻值在放電時不影響迅速放電的速率,在充電限流電阻R上并聯一個形成放電通路的二極管D,上圖B所示。此二極管在放電時導通,在充電時反偏截止。這樣增加了充電限流電阻和放電二極管后,既保證了MOS管的安全,又保證了MOS管,“開”與“關”的迅速動作。
2、另一種灌流電路
灌流電路的另外一種形式,對于某些功率較小的開關電源上采用的MOS管往往采用了下圖A的電路方式。


圖中 D為充電二極管,Q為放電三極管(PNP)。工作過程是這樣,當激勵方波正半周時,D導通,對MOS管輸入端等效電容充電(此時Q截止),在當激勵方波負半周時,D截止,Q導通,MOS管柵極S所充電荷,通過Q放電,MOS管完成“開”與“關”的動作,如上圖B所示。此電路由激勵信號直接“灌流”,激勵信號源要求內阻較低。該電路一般應用在功率較小的開關電源上。
〈烜芯微/XXW〉專業制造二極管,三極管,MOS管,橋堆等,20年,工廠直銷省20%,上萬家電路電器生產企業選用,專業的工程師幫您穩定好每一批產品,如果您有遇到什么需要幫助解決的,可以直接聯系下方的聯系號碼或加QQ/微信,由我們的銷售經理給您精準的報價以及產品介紹
聯系號碼:18923864027(同微信)
QQ:709211280

