艾目前,隨著一些便攜式電子系統,如筆記本電腦、PDA、手機等的廣泛應用,集成電路的功耗也被提到與面積和速度同等重要的位置。如果仍使用傳統的技術,就可能負擔相當重量的電池,或者電池的使用時間相當短;而隨著集成電路集成度的提高,在設計時若不考慮功耗問題,可能會使電路某些部分因功耗過大引起溫度過高,導致系統工作不穩定或失效;功耗過大也會給封裝帶來很大困難,因此本文分別對CMOS集成電路的功耗來源和低功耗的設計方法及設計工具等進行了介紹。
1.CMOS電路功耗的來源
CMOS電路中有兩種主要的功耗來源:靜態功耗和動態功耗。其中,動態功耗包括短路電流引起的功耗(稱為直流開關功耗或短路功耗,發生在躍變過程中雙管同時導通引起的瞬態電流而形成的功耗)和負載電容的功耗(稱為交流開關功耗,由對負載電容充放電電流引起的功耗);靜態功耗主要是由漏電流引起的功耗(圖1)。


圖1CMOS集成電路功耗
1.1動態功耗
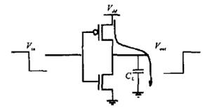
(1)交流開關功耗
當反相器的輸入為理想階躍波時,對純電容負載CL充放電所消耗的功率為交流開關功耗(圖2)。CMOS反相器的平均動態功耗為:


式中,a為開關系數,即每個時鐘周期中發生狀態變化器件的個數,CL為負載電容,f為電路的工作頻率,Vdd為電路的電源電壓值。


圖2CMOS電路的交流開關功耗
(2)直流開關功耗
當反相器輸入為非理想階躍波時,在輸入波上升沿或下降沿瞬間,存在Р管和N管同時導通的區域,由此引起的功耗稱直流開關功耗或短路功耗。其值為:


式中,Vdd為電路的電源電壓值,Isr為短路電流值(見圖3)


圖3CMOS電路的直流開關功耗
1.2靜態功耗
從理論上講,CMOS電路在穩定狀態下沒有從電源到地的直接路徑,所以沒有靜態功耗。然而,在實際情況下,擴散區和襯底之間的PN結上總存在反向漏電流,該漏電流與擴散結濃度和面積有關,從而造成一定的靜態功耗(參見圖4),其值可表示為:


式中,Vdd為電路的電源電壓值,Ileakaze為漏電流的值(見圖5)。
通過以上討論,可以得到電路的總功耗為:


式中,占主要地位的是PD,它主要取決于三個參數:負載電容、時鐘頻率和電源電壓。隨著CMOS集成電路尺寸的減小,柵電容和電源電壓也相應減小,當門數固定、時鐘頻率提高時,由于功耗近似正比于頻率和負載電容的一次方,而正比于電源電壓的二次方,所以整個電路功耗將減小。


圖4CMOS電路的靜態功耗


圖5CMOS電路的漏電流
2.低功耗設計方法
2.1工藝調整的影響
隨著工藝的發展,溝道長度不斷減小,金屬層不斷增加,對低功耗設計帶來一定的影響。作為電路設計者,不可能去改變工藝上的參數,但是對這些工藝的了解有助于設計。
(1)Vr的優化
隨著工藝的進步和頻率的不斷提高,器件特征尺寸隨之減小,氧化層的厚度也相應變薄,器件所能承受的電壓降低,使電源電壓減小,從而降低了功耗。由于電源電壓減小,閾值電壓Vr必須從先前的0.7~1.0V下降到0.~0.3V。但是,隨著Vr的減小,漏電流所產生的功耗在總功耗中所占的比例就有可能上升。
(2)工藝尺寸的減小
器件工藝尺寸的不斷減小對功耗的降低和電路速度的提高有著重要的影響。其中主要的一點是整個電容的減少,這將在一定程度上減少電路的功耗和延遲。柵電容和連線電容一般可以用下式表示:


式中,W為寬度,L為長度,tox為氧化層厚度,Eαr為氧化層介電常數。
但是,金屬互連線的厚度幾乎沒有隨著工藝尺寸縮小而減小,所以金屬層和襯底的側壁電容變化不大。因此,電容的減小不如我們想象的那么明顯。
隨著器件工藝尺寸的減小,降低了電路的電源電壓,前面已分析過電路的功耗與Vdd近似成正比,所以功耗有明顯的下降。
(3)工藝制造的進步
在現在先進的工藝制造中,一些新技術的采用,例如金屬層的增加、允許通孔層疊等,都對降低功耗有一定的影響。
對于兩層金屬的工藝,在布線時,由于上層金屬一般用于cell和cell之間的全局連接,所以一些cell內部的信號線常用多晶硅連接。如果有兩層或更多的金屬層,就可以利用高層的金屬來進行cell內部的信號連線。對于各不同層的金屬來說,它們的單位電容值是隨層次的增高而降低的。因此,運用多層金屬布線可以相對地減少電路的功耗。
通孔和通孔之間的距離在一定程度上決定了電路面積的大小,如果允許通孔的層疊,電路面積將有可能減少,同樣也減少了cell內部和全局布線的金屬線的長度。但是,相互間連線的耦合電容將有可能增加,就可能抵消先前的功耗降低。
2.2設計方法
(1)總線
對某些電路的設計來說,它會包含相當數量的總線。由于總線會帶來大負載、長連線、大電阻等效應,所以,總線的功耗要占整個芯片總功耗的15%~20%。為了降低這一部分功耗,可以利用一些特定的編碼來減少信號的變化數,以降低由數據傳輸而造成的功耗。一般可采用One-Hot(在一個二進制數中,只允許一個數位不同于其它各數位的值)或Gray碼(任何兩個連續的數字,其對應的二進制碼只有一個位的數值不同,其余位數值均相同)在訪問相鄰的兩個地址的內容時,其跳變次數比較少,這樣可以避免額外功耗的產生。(見表1)


(2)門控時鐘
對于時序邏輯電路,時鐘樹消耗的功耗約為整個芯片功耗的15%~45%。為了減少這一部分功耗,可以采用門控時鐘(clockgating),使一些暫時不工作的器件處于非觸發狀態,當需要這些器件工作時,可以用使能信號觸發它們,通過這一方法可以減少不必要的功耗。


圖6門控時鐘
需要注意的是,門控時鐘信號應置于相對較高的層次,而不是針對某個特定的觸發器。如果這樣的話,會造成不必要的clockskew(時鐘之間的時間差,見圖7)


圖7時鐘之間的時間差
(3)閃變信號
對于含有組合邏輯的電路來說,它的閃變信號(glitch)功耗將占整個芯片功耗的15%~20%。在靜態邏輯門電路中,輸出口或器件內部接點的信號會在正確的邏輯值穩定之前變化,這種不必要的信號變化將造成額外的功耗(見圖8)。一個兩輸入與門,輸入信號分別由01→10,假定器件的門延時為0,則輸出端恒為0。由于輸入端信號到達的時間不同,就會出現多余的信號變化,信號的變化使a端開關系數值增加,功耗隨之增大。
閃變信號的產生與路徑的長度有一定的關系。一般來說,路徑越長,越易產生閃變信號,原因之一是,不同的信號路徑長度會造成信號到達時間的不同。因此在設計時,應盡量避免長線的邏輯組合,或調整其結構,采用平衡樹結構(見圖9)。此外,也可以通過其它方法來平衡電路的延遲,例如選擇不同驅動能力的邏輯器件,或者在電路中插入buffer。但一般只有通路中的器件開關頻率較高時,才用這種方法來改善功耗問題。


圖8閃變信號


圖9平衡樹結構
(4)睡眠模式
睡眠模式(sleepmode)是一種可以用來降低功耗的可選方式。整個系統的動作狀態處于被監控的狀態,如果系統或電路在某段預設的時間段內處于閑置狀態,那么整個系統或電路將自動關閉。但是其輸入還是處于響應狀態,一旦有任何輸入信號被觸發,整個系統或電路將被重新激活,回到正常的工作狀態,這樣可以降低相應的功耗。這種模式對需處于睡眠狀態時間較長的器件比較有利,因為從睡眠狀態到正常工作狀態的時間有時需要幾微秒,甚至幾毫秒,而且系統或電路在進入睡眠狀態和恢復到正常工作狀態都會有額外的功耗。
3.低功耗設計工具
現在有許多低功耗設計的EDA工具。根據工具所使用的不同階段,可以把它們分為四類:晶體管級、門級、RTL級和行為級。
3.1晶體管級
晶體管級的功耗分析工具是以晶體管為基本器件來估算電路的功耗,這類工具比較成熟、精確、易懂。但此時已處于設計的后期階段,沒法對設計作大量的修改。代表性的工具有Synopsys的Power-MillSPCE、Mentor的MarchPA等。
3.2門級
門級的功耗分析工具是以邏輯門為基本器件來估算電路的功耗。盡管這類工具不如晶體管級功耗分析工具精確,但是由邏輯門表示的電路比由晶體管表示的電路更易懂。代表性的工具有Synopsys的PowerCompiler,它可以重新優化設計,滿足功耗的要求。
3.3RIL級
RTL級的功耗分析工具是以RTL器件為基本器件來估算電路的功耗。由于它處于設計的前端,所以這類工具對整個電路設計的功耗特性有著重要的影響。它們的速度較前兩者快,容量較前兩者大,但精確度相對較低。此外,這一類工具可有效地估算由門控時鐘引起的功耗。
3.4行為級
目前行為級的功耗分析工具還處于研發階段。
總結
以上就是CMOS集成電路低功耗的設計方法介紹了。CMOS集成電路可在較廣泛的電源電壓范圍內工作,便于與其他電路接口;并且速度快,門延遲時間達納秒級;在模擬電路中應用,其性能比NMOS電路好;與NMOS電路相比,集成度稍低。
〈烜芯微/XXW〉專業制造二極管,三極管,MOS管,橋堆等,20年,工廠直銷省20%,上萬家電路電器生產企業選用,專業的工程師幫您穩定好每一批產品,如果您有遇到什么需要幫助解決的,可以直接聯系下方的聯系號碼或加QQ/微信,由我們的銷售經理給您精準的報價以及產品介紹
聯系號碼:18923864027(同微信)
QQ:709211280

